CVDB06MA
6" double wall masonry adapter
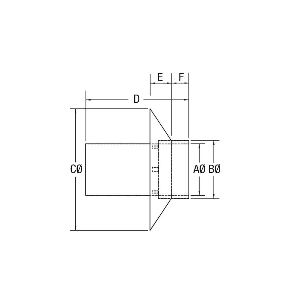
•Used to connect double wall stove pipe to an existing masonry chimney or a relined masonry chimney with stainless steel liner

Dimensions
| A | B | C | D | E | F | 
|---|---|---|---|---|---|
| 6" | 6.75" | 14.16" | 12" | 2.5" | 2" | 

•Used to connect double wall stove pipe to an existing masonry chimney or a relined masonry chimney with stainless steel liner
| A | B | C | D | E | F | 
|---|---|---|---|---|---|
| 6" | 6.75" | 14.16" | 12" | 2.5" | 2" |